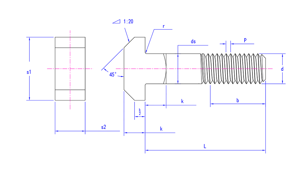
DIN186 T-hodebolter i rustfritt stål med firkantede halsbolter
| Hodefunksjoner | T-type hode anti-rotasjons firkantet hals |
| Stangfunksjoner | Dobbel antirotasjon |
| Kjerneformål | Forhindrer rotasjon, øker stabiliteten |
| Fordeler og funksjoner | Firkantet halsdesign forhindrer boltrotasjon, egnet for kraftig feste |
| Typiske bruksområder | Forhindre rotasjon, høybelastningsforbindelser, for eksempel stort utstyr, tungt maskineri. |
| Nøkkelindikatorer for valg | T-hodeform, firkantet halsstørrelse, boltlengde, diameter, gjengelengde, materiale. |
| Bransjespesifikke krav | Tungt maskineri: egnet for utstyr med høy belastning og behov for å hindre boltrotasjon. Bilindustri: brukes til høystyrkeforbindelser som hindrer boltrotasjon. |

















